ABBA 線性滑軌
產品介紹
ABBA線性滑軌
線性滑軌旨在以直線運動方式(垂直或水平)輔助一件設備的運動和負載。線性滑軌廣泛的應用於各種工業和製造業。例如你可以常常看到不同規格和不同形式的線軌應用在CNC的機台或3D列印的機器中,包括從一個家用的小列印機至一個大型的3D工業列印機。如果您需要一個高精度、高剛性和長壽命的系統,ABBA線性滑軌是一個很棒的選擇。
產品材質:S55C高碳鋼中週波熱處理 硬度HRC58-62
特性:
1. 專利內建自潤系統 (滑塊內建自潤油棉)
2. 四方向等負載設計
3. 運行順暢新型鋼珠循環方式
4. 高剛性-四排珠45度角接觸
5. 國際標準規格
6. 高精度、低摩擦係數
7. 高移動速度、低噪音
8. 全密封式油封
9. 可互換式設計
10. 環保產品
11. 使用壽命長,長期自動維持軌道表面潤滑油膜保護,並節省潤滑油成本。
ABBA 線性滑軌保養與使用:
1. ABBA 線性滑軌在出廠前都會做防鏽處理,故使用前請先把防鏽油清洗乾淨,並馬上加注潤滑油。
2. ABBA 線性滑軌有自潤系統(視規格型號),可大幅節省潤滑油成本和減少保養潤滑的次數,但請定期檢查若滑軌表面無油膜覆蓋請立即加注潤滑油。
3. 請勿自行拆卸滑塊,避免異物進入滑塊影響精度並縮短使用壽命。
4. 請勿使用在高於攝氏80度的環境中,以免損壞產品之密封件,進而縮短使用壽命。
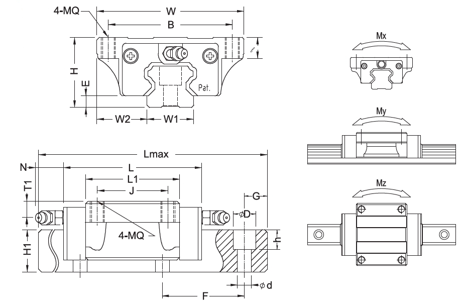
品牌互換注意事項:

1. 檢查組合高(H)是否相同。
2. 檢查組合寬(W2)是否相同。
3. 檢查滑座組合長度(L)是否與旁物干涉。
4. 檢查滑塊金屬本體長度(L1)是否接近。
5. 檢查滑塊上之孔數及孔距(B x J)是否相同。
6. 檢查滑軌之寬度(W1)是否相同。
7. 檢查滑軌之孔距(F)是否相同。
8. 檢查滑軌之孔尺寸(d x D x h)是否可以使用相同固定螺絲。
9. 滑軌之端距(G)若不對稱,請於訂購時註明。
10. 檢查(E)值是否會磨到機台表面。
熱門型號:
BRD15U0
BRC20A0
BRC20LA
BRD25R0
BRD45A0




-1.png)
-1.png)